GEN 2 BI hat einen eingebauten Zähler, der die Netzeinspeiseleistung misst.
Aber für die folgenden 5 Anwendungen:


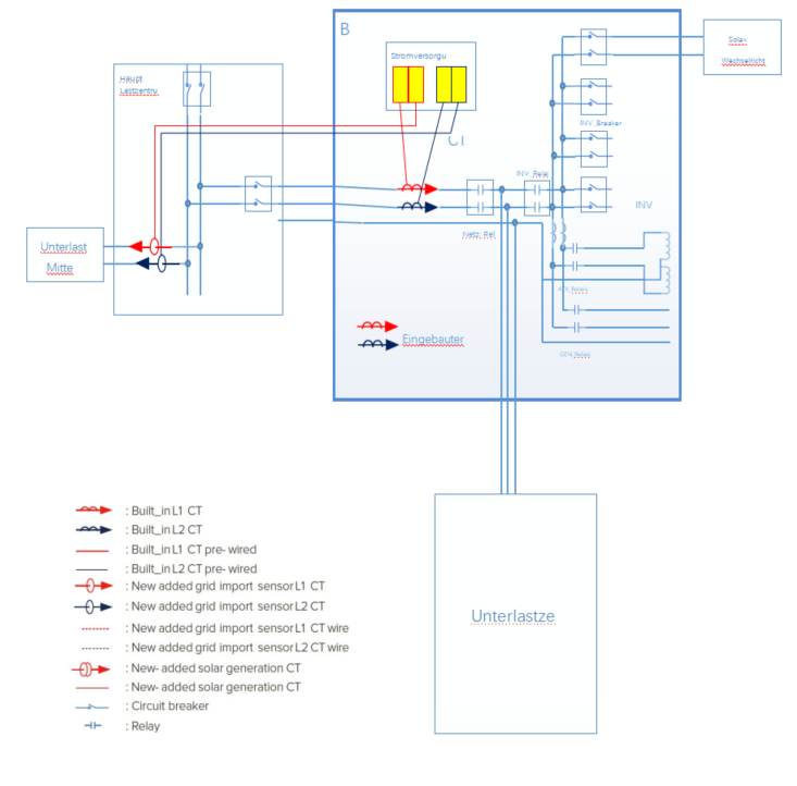
Sie benötigt einen neuen zusätzlichen Stromwandler zur Überwachung des Stroms des Solarwechselrichters. Dieser neue zusätzliche Stromwandler sollte an den Anschluss "CT3" der Steuereinheit angeschlossen werden. Und die Klemme CT3" muss an den netzgekoppelten Solarwechselrichter L1 angeschlossen werden.

Bitte Sie trennen den bereits installierten Stromwandler und schließen Sie den neu hinzugefügten Stromwandler an L1A bzw. L2A an. Zwei zusätzliche Stromwandler zur Überwachung der Netzeingangsströme erforderlich.

Bitte Sie trennen den bereits installierten Stromwandler und schließen Sie den neu hinzugefügten Stromwandler an L1A bzw. L2A an.
Zwei zusätzliche Stromwandler zur Überwachung der Netzeingangsströme erforderlich.
Benötigt einen neuen zusätzlichen Stromwandler zur Überwachung des Stroms des Solarwechselrichters. Dieser neue zusätzliche Stromwandler sollte an den Anschluss "CT3" der Steuereinheit angeschlossen werden.

Zwei zusätzliche Stromwandler zur Überwachung der Netzeingangsströme erforderlich.

Zwei zusätzliche Stromwandler zur Überwachung der Netzeingangsströme erforderlich.
Benötigt einen neuen zusätzlichen Stromwandler zur Überwachung des Stroms des Solarwechselrichters. Dieser neue zusätzliche Stromwandler sollte an den Anschluss "CT3" der Steuereinheit angeschlossen werden. Und die Klemme CT3" muss an den netzgekoppelten Solarwechselrichter L1 angeschlossen werden.

Die App-Konfigurationsfunktion befindet sich in der Entwicklung und wird in Q1 Ende 2023 veröffentlicht werden.
.Die Stromwandlerkabel sollten in der Nähe der rechten Seite der BI-Wand im Inneren verlegt werden. Die Stromwandler, die mit der BI-Steuerplatine verbunden sind, können auch in der linken oberen Ecke verlegt werden.
.Die Drähte der Stromwandler sollten fest verknotet werden, und es ist darauf zu achten, dass sie die Stromschiene nicht berühren.
.Alle Stromwandler sind vom Netz zur Last ausgerichtet.
.Die Phase aller Stromwandler sollte mit der Spannung übereinstimmen. Prüfen Sie die Spannung zwischen dem Gürtelanschluss der BI L1 Spannung und dem Leiter, der vom L1 Stromwandler geklemmt wird, wenn die Spannung etwa Null ist, ist die Phase des Stromwandlers richtig.
.Alle Stromwandler sollten an der richtigen Stelle geklemmt werden.
Freies Werkzeug. Die Zubehörteile sind mit den gleichen Anschlüssen versehen, nur mit Steckern.