TCBox-70 è una scatola combinatrice di batterie sviluppata in modo indipendente da Solax, compatibile con le batterie HS e HR. Può aggregare più pacchi batteria e collegarsi agli inverter per espandere il sistema di batterie. È facile da usare, comodo da cablare e comunemente usato in sistemi di accumulo di energia domestici o piccoli sistemi di accumulo di energia commerciali.
Unendo il BMS di più cluster di batterie con la porta di comunicazione CAN dell'inverter, si ottiene l'allocazione master-slave di più controller BMS sul bus CAN. Il controllore BMS primario è responsabile della comunicazione con l'inverter, mentre i controllori BMS slave sono governati dai comandi di controllo diffusi dal controllore BMS master. Per collegare in parallelo più cluster di sistemi di batterie per l'accumulo di energia.
Tabella 1 Specifiche TCBox-70
| Tipo/modello | TCBox-70 |
| Corrente massima di funzionamento[A] | 70 |
| Tensione di ingresso e uscita[V] | 90-750 |
| Interfaccia di comunicazione | RJ45*4 |
| Torre parallela max. | 3 |
| Intervallo di temperatura di carica/scarica disponibile [°C] | -30-60 |
| Temperatura di stoccaggio [°C] | -40-80 |
| Umidità relativa[%] | 4-100 (condensazione) |
| Dimensione (L*A*P)[mm] | 325*231*126 |
| Peso[kg] | 2.1 |
| Tipo di installazione | Parete |
| Classe di protezione | Grado di protezione IP65 |
| Tipo di raffreddamento | Naturale |
| Altitudine[m] | Inferiore a 3000 |

Figura 1 Diagramma schematico del sistema TCBox-70
Nota:Attualmente, HS25/HS36 non è in grado di distinguere tra BMS master e slave per il momento, un progetto di visualizzazione della batteria verrà eseguito in seguito per visualizzarlo sulla piattaforma
Tabella 2 TCBox-70 Accoppiamento di inverter e batterie
| Inverter |
Batterie |
| X3-ULTRA |
HS25/HS36 |
| X3-G4 |
HR25/HR36 |
| X1-G4 |
HS51 |
| X3-G4 PRO(disponibile a breve) |
|
| X1-VAST(disponibile a breve) |
Nota:
Tabella 3 Schema di collegamento della batteria
| Opzione/Qtà/Tipo |
BMS |
Scatola della serie |
Invertitore |
| Opzione A |
2 |
0 |
1 |
| Opzione B |
2 |
2 |
1 |
| Opzione C |
3 |
0 |
1 |
| Opzione D |
3 |
3 |
1 |

Figura 2 Due BMS (ogni cluster inferiore a 9)
Nota:Quando si collega TPBox all'inverter e al pacco batteria, collegare i poli positivo e negativo rispettivamente a TPBox e al pacco batteria e collegare la linea di comunicazione tramite la porta COM.

Figura 3 Due BMS (ogni cluster più di 9)
Nota:Per aumentare la capacità di accumulo dell'impianto solare fotovoltaico, possiamo aumentare il numero di batterie in ogni cluster di pacchi batteria.

Figura 4 Due BMS+Due serie
Nota:Il termine "SeriesBox" si riferisce in genere a un dispositivo utilizzato per collegare i moduli batteria in serie. Consente di collegare più moduli batteria in serie per aumentare la tensione di uscita del sistema mantenendo costante la corrente totale. Inoltre, il SeriesBox aiuta a evitare che le batterie si accumulino troppo in alto.

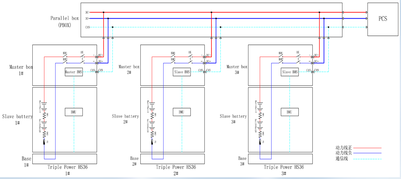
Figura 5 Tre BMS (ogni cluster inferiore a 9)

Figura 6 Tre BMS (ogni cluster più di 9)

Figura 7 Tre BMS+tre serie

Figura 7 Parte inferiore del TCBox-70

Figura 8 Sbarra interna in rame
Tabella 4 Definizione del terminale
| articolo |
Descrizione |
|
| Un |
Porta BAT+ |
Per passare attraverso i cavi di alimentazione positivi, per collegare rispettivamente sia il modulo batteria che l'inverter |
| B |
BAT- porta |
Per passare attraverso i cavi di alimentazione negativi, per collegare rispettivamente sia il modulo batteria che l'inverter |
| C |
Valvola di sfiato |
Per bilanciare i differenziali di pressione all'interno e all'esterno della scatola |
| D |
Porta di messa a terra |
Per il collegamento alla porta di messa a terra rispettivamente del modulo batteria e dell'inverter |
| E |
Porta COM |
Per il collegamento ai cavi di comunicazione, rispettivamente per il collegamento dell'inverter e del modulo batteria |
| F |
Morsettiera A |
Da utilizzare solo per collegare cavi di alimentazione positivi o negativi |
| G |
Morsettiera B |
Da utilizzare solo per collegare cavi di alimentazione positivi o negativi |
Tabella 5 Inverter e batteria compatibili
| Invertitore |
Batteria |
| X3-ULTRA |
HS25/HS36 |
| X3-G4 |
HR25/HR36 |
| X1-G4 |
HS51 |
| X3-G4 PRO |
|
| X1-VAST |